Pfeil zurück zur Übersicht

Aussagekräftig wie Messergebnisse

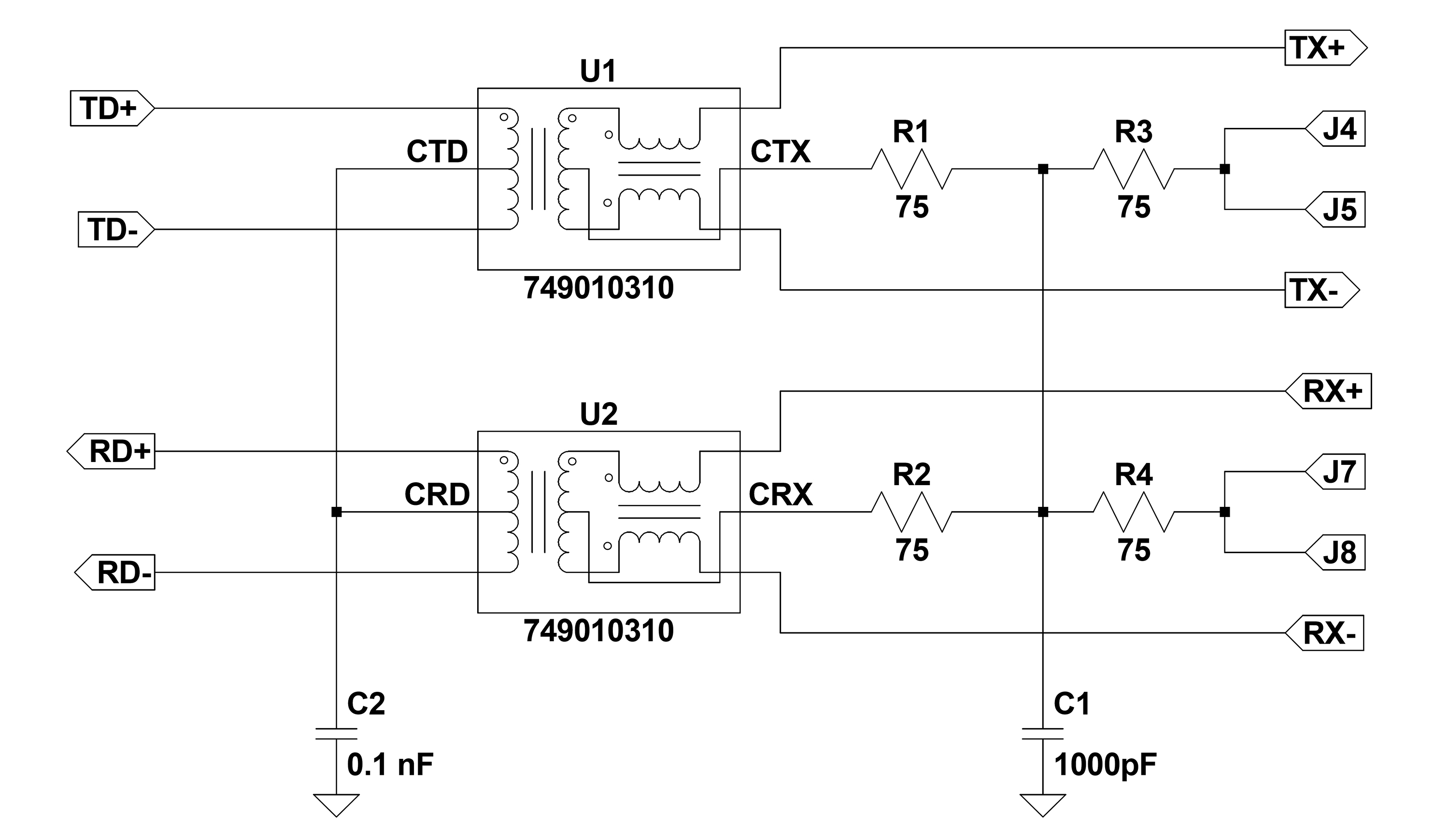
Simulationsmodelle für LAN-Übertrager von Würth Elektronik eiSos
Vergleich von Messung und Simulation im Frequenzbereich / Bildquelle: Würth Elektronik eiSos
Vergleich von Messung und Simulation im Frequenzbereich / Bildquelle: Würth Elektronik eiSos

(pressebox) (Waldenburg, 22.11.2018) Als erster Hersteller weltweit bietet Würth Elektronik eiSos für alle Katalogartikel seiner LAN-Übertrager-Serien WE-LAN, WE-LAN 10G und WE-LAN AQ hochpräzise Simulationsdaten an. Die LTSpice- und PSpice-Modelle sowie S-Parameter sind bis in hohe Frequenzen hinein extrem akkurat. Mit dem Angebot von Simulationsmodellen erleichtert Würth Elektronik eiSos den Entwicklern das Ethernet-Design und trägt zu kürzeren Projektzeiten bei. Der Bauteilehersteller stellt die Simulationsmodelle ab sofort auf seiner Website zum kostenlosen Download bereit.

Ansprechpartner:

Frau Sarah Hurst
Telefon: +49 (7942) 945-5186
Fax: +49 (7942) 945-5190

Frau Brigitte Basilio
HighTech communications GmbH
Telefon: +49 (89) 500778-20

Über Würth Elektronik eiSos GmbH & Co. KG: Die Würth Elektronik eiSos GmbH & Co. KG ist Hersteller elektronischer und elektromechanischer Bauelemente für die Elektronikindustrie. 2017 beschäftigte das Unternehmen 6 700 Mitarbeiter und erwirtschaftete einen Umsatz von ca. 653 Millionen Euro. Würth Elektronik eiSos ist einer der größten europäischen Hersteller von passiven Bauteilen und in 50 Ländern aktiv. Fertigungsstandorte in Europa, Asien und Nordamerika versorgen die weltweit wachsende Kundenzahl.

Das Produktprogramm umfasst EMV-Komponenten, Induktivitäten, Übertrager, HF-Bauteile, Varistoren, Kondensatoren, Widerstände, Quarze, Oszillatoren, Power Module, Wireless Power Transfer, LEDs, Sensoren, Steckverbinder, Stromversorgungselemente, Schalter, Taster, Verbindungstechnik, Sicherungshalter sowie Lösungen zur drahtlosen Datenübertragung.

Durch die Technologiepartnerschaft mit dem Formel-E-Team Audi Sport ABT Schaeffler und die Unterstützung der Formel-E-Rennserie zeigt das Unternehmen seine Innovationsstärke im Bereich eMobility (www.we-speed-up-the-future.com).

Würth Elektronik eiSos ist Teil der Würth-Gruppe, dem Weltmarktführer für Montage- und Befestigungstechnik.

Weitere Informationen unter www.we-online.de

Datei-Anlagen:
Pfeil zurück zur Übersicht