Pfeil zurück zur Übersicht

Neuerung: 3D PDF Datenblatt für CADENAS PARTcommunity / PARTserver / eCATALOGsolutions

Mader
Mader

(pressebox) (Augsburg, 16.05.2008) CADENAS hat das 3D PDF Datenblatt entwickelt, welches auf PARTcommunity, PARTserver, PARTsolutions (ab V8.1.08) und den OfflineCDs ab sofort erhältlich sein wird.

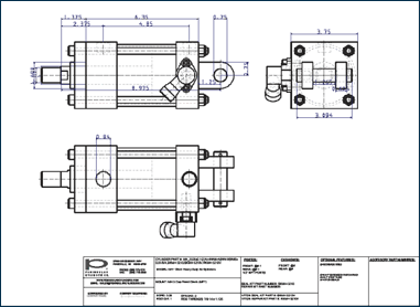
Mittels der Datenblatt-Funktion kann ein 3D PDF Dokument aus einem Katalog Online im Web oder von einer lokalen Installation erzeugt werden. Die Ansicht kann ein 3D Modell, 2D Ansicht - mit Bemaßung - fotorealistische Bilder, Sachmerkmaltabelle und weitere Eigenschaften enthalten. Das 3D PDF Datenblatt ist damit auch die Vorstufe zur automatischen Erstellung eines Printkataloges mit CADENAS.

Entscheidend für die Kataloghersteller ist, dass zur Erstellung des 3D PDF Datenblatts keine Änderungen an den Katalogen vorzunehmen sind, denn das Datenblatt wird automatisch mit den bereits vorhandenen eCATALOGsolutions Katalogdaten gefüllt. Dadurch reduziert sich für den Hersteller der Aufwand zur Bereitstellung von Produktinformationen durch das automatische Publizieren der 3D PDF Datenblätter erheblich. Zum Erstellen des 3D PDF Datenblattes muss er lediglich eine Layoutvorlage definieren, wie die Daten auf dem PDF angeordnet werden sollten. Außerdem bietet CANVAS, die Marketingagentur von CADENAS dem Hersteller die Möglichkeit, das Layout des 3D PDF Datenblattes nach seinem Corporate Design anfertigen zu lassen.

Durch die einheitliche Datenblattdefinition ist das 3D PDF Datenblatt hauptsächlich für den Endanwender interessant. Alle Kataloge an allen PARTsolutions Arbeitsplätzen produzieren somit identische Arbeitsblätter, was die interne Dokumentation verbessert. Darüber hinaus bekommt der Anwender des 3D PDF Datenblattes alle Informationen in einer Übersicht, wodurch die Produktauswahl wesentlich unterstützt wird. Nach der Erstellung des 3D Modells ist das Datenblatt sofort verfügbar und stellt durch die Unterstützung der 3D Funktion eine innovative Methode mit geringer Fehleranfälligkeit dar.

Das 3D PDF Datenblatt ist in mehreren Sprachen für PARTcommunity, PARTserver, PARTsolutions und Offline CDs verfügbar. Um das 3D PDF Datenblatt zu visualisieren, wird der auf nahezu jedem Rechner kostenfrei zur Verfügung gestellte Acrobat PDF Reader benötigt.

Das 3D Datenblatt von CADENAS ist die Lösung, um kosten zu sparen und die Kundenbindung zu erhöhen.

Ansprechpartner:

CADENAS GmbH
Telefon: +49 (821) 258580-0
Fax: +49 (821) 258580-999

Über CADENAS GmbH: CADENAS ist ein führender Softwarehersteller mit maßgeschneiderten Lösungen in den Bereichen Strategisches Teilemanagement und Teilereduzierung (ENTERPRISE 3Dfindit) sowie Elektronische CAD Produktkataloge (eCATALOG 3Dfindit). Mit der Plattform 3Dfindit ist CADENAS das zentrale Bindeglied zwischen Angebots- und Nachfrageseite und steigert die Umsätze der beteiligten Komponentenhersteller durch den zielgruppengenauen Zugang zu Ingenieuren, Konstrukteuren und Architekten weltweit.

CADENAS steht als Digitalisierungspartner mit seinen über 420 Mitarbeitern an 15 internationalen Standorten seit 1992 für Erfolg, Beratung und Prozessoptimierung.

Weitere Informationen finden Sie unter: www.cadenas.de

-----------

CADENAS is a leading software manufacturer with customized solutions in the areas of strategic parts management and parts reduction (ENTERPRISE 3Dfindit) and electronic CAD product catalogs (eCATALOG 3Dfindit). With the 3Dfindit platform, CADENAS is the central link between the supply and demand side and increases the sales of the participating component manufacturers through target group-specific access to engineers, designers and architects worldwide.

As a digitalization partner with over 420 employees at 15 international locations, CADENAS has stood for success, consulting and process optimization since 1992.


More information can be found at: www.cadenas.de/en

Datei-Anlagen:
Pfeil zurück zur Übersicht