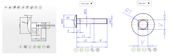
84 kB; PNG Bild
CADENAS ist für den Innovationspreis Bayern nominiert
173 kB; Jpeg Bild
Das war das Industry Forum 2026 in Augsburg
112 kB; Jpeg Bild
Harnessflex by ABB veröffentlicht neuen digitalen Produktkatalog
899 kB; Jpeg Bild
CADENAS Industry Forum
601 kB; Jpeg Bild
V.l.n.r.: Heiko Landsberg (Vice President Global Digital Sales, Festo), Terry Jonen (CEO, CADENAS), Tilman Schäfer (Head of Digital Experience and Digital Product Content and Data, Festo), Wolfgang Nagl (Vice President of Global Business Development, CADENAS), Jürgen Herr (Head of Customer Engineering Data, Festo).
147 kB; Jpeg Bild
Festo und CADENAS intensivieren Zusammenarbeit
131 kB; Jpeg Bild
Mehr als 750 Millionen CAD-Downloads im Jahr 2025: CADENAS erreicht neuen Rekord
449 kB; Jpeg Bild
Das Event für industrielle Digitalisierung in Augsburg: CADENAS Industry Forum 2026
4 MB; Jpeg Bild
Eplan und CADENAS besiegeln eine neue Technologiepartnerschaft. V.l.n.r.: Haluk Menderes (Eplan), Marco Litto (Eplan), Terry Jonen (CADENAS), Walter Leder (CADENAS), Kei Nagoshi (CADENAS), Roger Scholtes (Eplan).
3 MB; Jpeg Bild
Haluk Menderes, Global Managing Director Eplan, und Terry Jonen, Managing Director CADENAS.
1 MB; Jpeg Bild
Impressionen von der Preisverleihung
2 MB; Jpeg Bild
181 kB; PNG Bild
TIM – Tiny Injection Machine.
573 kB; PNG Bild
Das Exoskelett verteilt das Gewicht der Heckenschere über den ganzen Rücken.
Engineering Newcomer 2025: Das sind die Gewinner
511 kB; Jpeg Bild
Save the Date - das CADENAS Industry Forum am 17. und 18. März 2026 in der Augsburger WWK Arena
6 MB; Jpeg Bild
Nikon SLM Solutions optimiert PLM-Prozesse mit ENTERPRISE 3Dfindit von CADENAS
99 kB; PNG Bild
Der maßgeschneiderte DME onPrem-Katalog entspricht der Corporate Identity des Kunden.
102 kB; PNG Bild
Der onPrem-Katalog bietet vollständigen Zugriff auf das gesamte DME-Produktportfolio.
116 kB; Jpeg Bild
Produktdaten von DME jederzeit und überall verfügbar: mit dem onPrem Katalog powered by CADENAS
157 kB; Jpeg Bild
Es geht hoch hinaus mit dem eCATALOG 3Dfindit und LUX-top
130 kB; Jpeg Bild
Datenmigration ohne Qualitätsverlust: Nikon SLM Solutions setzt auf ENTERPRISE 3Dfindit
26 kB; Jpeg Bild
Fluid System stellt digitalen CAD Katalog für geschweißte Hydraulikzylinder der Serie CH-CL vor
393 kB; Jpeg Bild
43 kB; PNG Bild
Motion Controls führt mit CADENAS den Zylinderkonfigurator der D-Serie ein
192 kB; Jpeg Bild
199 kB; Jpeg Bild
Über 11.000 Komponenten von Sugatsune stehen jetzt als CAD-Modelle auf 3Dfindit bereit
214 kB; Jpeg Bild
On-Demand-Konfiguration von Kabeldurchführungen bei murrplastik
Gruppenfoto vom Kickoff Meeting der OPEN Communitymitglieder am 9. April bei Festo in Esslingen.
12 MB; PNG Bild
Awardgewinner
11 MB; PNG Bild
Gespräche mit GF Jürgen Heimbach
10 MB; PNG Bild
Stage
406 kB; Jpeg Bild
Neuer Rekord für die VDI 3805 ‘Elektronischer Produktdatenaustausch in der TGA
178 kB; Jpeg Bild
CADENAS verstärkt seine Präsenz in Asien mit Carsten Metelmann
89 kB; Jpeg Bild
PTC Partner Network Awards: CADENAS ist Finalist in der Kategorie Digital Thread
359 kB; Jpeg Bild
Sanitas Troesch und CADENAS: BIM-Modelle als Schlüssel zum Erfolg
180 kB; Jpeg Bild
Mikko Urho, CEO von Visual Components, zu Gast in Augsburg
415 kB; Jpeg Bild
Neue Partnerschaft zwischen Visual Components und CADENAS
140 kB; Jpeg Bild
Schlange: Die Verbindung aus Holz und Schlange bringt eine Balance zwischen strategischem Denken und Tatendrang, was 2025 zu einem Jahr machen könnte, das von fundierter Planung und kluger Umsetzung geprägt ist.
979 kB; PNG Bild
Rückblick Industry Forum 2024
440 kB; Jpeg Bild
396 kB; Jpeg Bild
287 kB; Jpeg Bild
245 kB; Jpeg Bild
386 kB; Jpeg Bild
232 kB; Jpeg Bild
Industry Forum 2025: Aufbruch statt Stillstand im chinesischen Jahr der Holz-Schlange
381 kB; Jpeg Bild
QualityBIM
176 kB; Jpeg Bild
CPQ-Software
350 kB; Jpeg Bild
Wie Sie ETIM-Daten in der 3D- und BIM-Planung erfolgreich nutzen
30 kB; Jpeg Bild
"Würden Sie einen Anbieter dem anderen vorziehen, wenn dieser native CAD/BIM Modelle anbietet?"
243 kB; Jpeg Bild
Engineering Survey: Was Ingenieure wirklich wollen
107 kB; Jpeg Bild
CADENAS auf der SPS 2024 in Nürnberg
236 kB; Jpeg Bild
BIM World MUNICH 2024 mit CADENAS
58 kB; Jpeg Bild
Dieses Webinar richtet sich an Fachleute aus der technischen Produktbranche, insbesondere an Hersteller, Großhändler, Architekten, Ingenieure, Elektrotechniker und BIM-Koordinatoren. Erhalten Sie praktische Einblicke, wie Sie Ihre Produktinformationen standardisieren, den Datenaustausch verbessern und Ihre Planungsprozesse optimieren können. Profitieren Sie von der Expertise unserer Referenten und erfahren Sie live, wie Sie ETIM-Daten optimal für Ihre 3D- und BIM-Projekte nutzen können. Nutzen
1 MB; PNG Bild
Auch CADENAS darf bei diesem Gipfeltreffen der Branche nicht fehlen und ist aus diesem Grund mit einem Messestand auf der BIM WORLD Munich vertreten. Nutzen Sie die Gelegenheit, um sich auszutauschen und die neuesten Trends rund um die Digitalisierung von Bau- und Immobilienwirtschaft sowie Stadtentwicklung kennenzulernen: Besuchen Sie uns im Foyer am Stand 14.
159 kB; Jpeg Bild
Auch CADENAS wird auf der CONTACT Open World 2024 vertreten sein. Nutzen Sie die Gelegenheit, um sich am CADENAS Stand über digitale Lösungen zu informieren. Herr Sarkis Kartun, Senior Account Manager Enterprise 3Dfindit der CADENAS GmbH, wird vor Ort sein und steht Ihnen als Ansprechpartner für Fragen rund um 3Dfindit zur Verfügung. Lassen Sie sich inspirieren und erfahren Sie mehr über die digitale Bauteilsuche, Integration und wie Unternehmen von den neuesten Trends wie Industrie 4.0, Smart F
Unter den Ausstellern der SPS wird auch CADENAS vertreten sein und ihre neuesten Lösungen im Bereich der digitalen Produktkataloge und der Engineering-Datenverwaltung vorstellen wird. CADENAS wird auf den Ständen der IDTA mit Nummer 5-358 sowie von nVent HOFFMAN mit der Nummer 3C-301 vertreten sein und dort Einblicke in die Zukunft der industriellen Automatisierung und digitale Produktinnovationen geben.
223 kB; Jpeg Bild
Data Enrichment Kinematik
283 kB; Jpeg Bild
Deconstruct car engine
198 kB; Jpeg Bild
3Dfindit
233 kB; Jpeg Bild
eCATALOG
252 kB; Jpeg Bild
Symbolbild eines Flugzeug zur Visualisierung, dass CADENAS erfolgreich bei DATIpilot dabei ist.
510 kB; Jpeg Bild
CADENAS und ePLM arbeiten enger zusammen, um ihren Kunden passende PLM Lösungen zu bieten.
183 kB; Jpeg Bild
Kostenloses Herunterladen in über 100 verschiedenen Formaten - 2D und 3D für alle gängigen CAD Systeme.
143 kB; Jpeg Bild
Sparen Sie wertvolle Zeit bei der Suche nach Komponenten
125 kB; Jpeg Bild
Finden Sie passende 3D CAD, CAE und BIM Daten auf jeder Website, die Komponenten zeigt.
285 kB; Jpeg Bild
Ingenieure, Konstrukteure und Planer profitieren ab sofort von einer innovativen Lösung zur Bauteilsuche im Web: Die neue Browser-Erweiterung CAD SCOUT 3Dfindit von CADENAS vereinfacht und beschleunigt den Zugang zu 3D CAD-Modellen erheblich.
206 kB; Jpeg Bild
CADENAS und AUSSCHREIBEN.DE präsentieren neues Whitepaper: Zehn Tipps zur erfolgreichen Integration von Produktdaten in den BIM-Prozess
38 kB; Jpeg Bild
Configurators rethought: CADENAS and Resolto start cooperation
23 kB; PNG Bild
An analysis carried out by CADENAS illustrates the massive increase in AASX downloads.
52 kB; Jpeg Bild
CADENAS is member of the Industrial Twin Association (IDTA)
280 kB; Jpeg Bild
Alen Blechinger und Markus Poppinghuys laden langjährige und neue Kunden zu einem exklusiven Webinar ein. Fußball und die Europameisterschaft spielen aber nur eine Nebenrolle. Vielmehr geht es um die optimale Aufstellung und die Zukunft Ihres Strategischen Teilemanagement Systems.
31 kB; Jpeg Bild
Seidel optimiert Serienfertigung mit CADENAS PARTsolutions
46 kB; Jpeg Bild
CADENAS auf dem buildingSMART-Anwendertag
33 kB; Jpeg Bild
Gimota AG und CADENAS revolutionieren die Konfiguration von Steckverbindungen
27 kB; Jpeg Bild
Die Wisdom of Crowds-Funktion empfiehlt zueinander passende Komponenten, hier am Beispiel Schraube, Scheibe und Mutter.
20 kB; Jpeg Bild
16 kB; Jpeg Bild
Wird ein Bolzen als Verbindung gewählt, empfiehlt die Wisdom of Crowds-Funktion auch die Verwendung eines Federsteckers.
32 kB; Jpeg Bild
Die Weisheit der Vielen: 3Dfindit stellt 6 Milliarden Download-Daten mithilfe von KI der Allgemeinheit zur Verfügung
55 kB; Jpeg Bild
Die elf Teilnehmenden des C-Level Meetings freuen sich über die entgegengebrachte Anerkennung.
CADENAS zeichnet die Mitglieder des C-Level Meetings auf der Hannover Messe mit einem Preis aus.
21 kB; PNG Bild
Eine von CADENAS durchgeführte Analyse veranschaulicht den massiven Anstieg der AASX-Downloads.
CADENAS ist Mitglied in der Industrial Twin Association (IDTA)
63 kB; PNG Bild
Self-Service Konfigurator
37 kB; Jpeg Bild
Konfiguratoren neu gedacht: CADENAS und Resolto starten Kooperation
39 kB; Jpeg Bild
ENGINEERING NEWCOMER 2023: And the winner is…
148 kB; Jpeg Bild
Component manufacturers capture all leads thanks to CADENAS CRM Connector
Erfassen Sie alle Leads dank CADENAS CRM Connector
390 kB; Jpeg Bild
skill shortage is a well known problem in Germany.
367 kB; Jpeg Bild
Niels-Stefan Poge, CADENAS GmbH
Viele Positionen für Fachkräfte sind unbesetzt.
185 kB; Jpeg Bild
Fachkräftemangel im deutschen Anlagen- und Maschinenbau
870 kB; Jpeg Bild
PARTcommunity ist zu 3Dfindit.com umgezogen
27 kB; PNG Bild
Logo CADENAS GmbH
108 kB; COM Datei
Logo 3Dfindit.com
88 kB; PNG Bild
New version of the visual search engine 3Dfindit.com impresses with many innovative features & new user interface
87 kB; PNG Bild
Neue Version der visuellen Suchmaschine 3Dfindit.com überzeugt mit vielen innovativen Funktionen & neuer Benutzeroberfläche
54 kB; Jpeg Bild
Siemens bindet Teilebibliothek 3Dfindit.com von CADENAS in die Siemens Capital Software ein
488 kB; PNG Bild
シーメンス、CADENAS の 3Dfindit.com の部品ライブラリを Capital ソフトウェアに統合
Siemens embeds part library 3Dfindit.com by CADENAS into Siemens’ Capital software
36 kB; Jpeg Bild
57 kB; Jpeg Bild
Digital customs tariffing made easy with new netwykZOLL interface in PARTsolutions
Zolltarifnummern digital ermitteln mit neuer netwykZOLL Schnittstelle in PARTsolutions
New 3D product catalog by ETA S.p.A.: BIM, CAD & CAE data streamline engineering design process
29 kB; Jpeg Bild
Neuer Produktkatalog von ETA S.p.A: BIM, CAD & CAE Daten beschleunigen den Konstruktionsprozess
41 kB; Jpeg Bild
CADENAS und Kubotek3D steigern die Effizienz von KeyCreator mit digitalen Katalogen von Kaufteilen
49 kB; Jpeg Bild
CADENAS and Kubotek3D partner to enhance KeyCreator efficiency with digital catalogs of purchased components
Bornemann Gewindetechnik introduces innovative product configurator for lead screws
14 MB; Jpeg Bild
Bornemann Gewindetechnik veröffentlicht innovativen Produktkonfigurator für Gewindeprofile
165 kB; PNG Bild
51 kB; Jpeg Bild
108 kB; PNG Bild
Webinar: Norm- & Kaufteile für NX mit BCT aClass automatisch klassifizieren
PARTsolutions Webinar
98 kB; Jpeg Bild
Webinar von CADENAS & netwyk.com über: Zolltarifnummern DIGITAL - So entkommen Sie der Komplexitätsfalle am 01. Juni 2022 um 11:00 Uhr
45 kB; Jpeg Bild
Digitale Partnerschaft zwischen AUSSCHREIBEN.DE und CADENAS vereint Produktinformationen, Ausschreibungstexte und CAD BIM Daten auf einer Plattform
67 kB; Jpeg Bild
Webinar: Die neue PALME Duschplanung mit BIM - Erfrischend einfach und unglaublich umfangreich
Webinar: Per Knopfdruck vom PIM zum digitalen Zwilling - Hohe Datenqualität & automatisierte Prozesse als Wettbewerbsvorteil nutzen
Webinar: Digitale Planungsdaten als Erfolgsfaktor - Wie Sie als Schweizer Qualitätshersteller national & international führend bleiben
67 kB; PNG Bild
Webinar: Lean & Digital - Wie die Reduzierung von Aufwänden bei der Maximierung der Wertschöpfung hilft
239 kB; Jpeg Bild
Eventbild Webinar D&TS & CADENAS
28 kB; Jpeg Bild
brandgroup bridges the gap between its innovative springs and customers with new 3D CAD configurator
brandgroup schlägt mit neuem 3D CAD Konfigurator den Bogen zwischen ihren innovativen Federn und den Kunden
CADENAS Experte wirkt als Mitautor aktiv an der Deutschen Normungsroadmap BIM mit
507 kB; Jpeg Bild
30 Jahre in Bildern: Das Team, die Bürogebäude, Messen & Events
50 kB; Jpeg Bild
30 Jahre CADENAS: Softwarelösungen für 3D CAD Modelle seit 1992 stets am Puls der Zeit
2 MB; PNG Bild
EN Leaderboard
Winning projects of the last years
Do you have what it takes to become Engineering Newcomer 2022?
Hast Du die zündende Idee für Platz 1 beim Engineering Newcomer 2022?
1005 kB; Jpeg Bild
Ready for the dawn of the BIM age in Germany? What component manufacturers should keep in mind
158 kB; PNG Bild
Bereit für den Aufbruch ins BIM Zeitalter? Was Sie als Komponentenhersteller jetzt beachten müssen
CADENAS Webinar
34 kB; Jpeg Bild
Superior Sensor Technology
166 kB; Jpeg Bild
Airwork supports customers with 3D CAD catalog
161 kB; Jpeg Bild
Airwork optimiert Kundenservice mit 3D CAD Katalog von CADENAS
43 kB; Jpeg Bild
MTF Technik upgrades 3D CAD configurator powered by CADENAS with small belt conveyor product line
45 kB; PNG Bild
MTF Technik erweitert 3D CAD Konfigurator powered by CADENAS um Produktsparte Kleinförderbänder
121 kB; PNG Bild
3D CAD & CAE manufacturer catalogs powered by CADENAS now available in SOLIDWORKS Electrical 3D
3D CAD & CAE Herstellerkataloge powered by CADENAS jetzt auch in SOLIDWORKS Electrical 3D verfügbar
53 kB; Jpeg Bild
Engineering Newcomer 2021 honors future engineers for their remarkable innovative strength
59 kB; Jpeg Bild
42 kB; Jpeg Bild
96 kB; Jpeg Bild
Webinar: ETIM BIM für Komponentenhersteller am 22. Oktober 2021 um 11:00 Uhr
215 kB; PNG Bild
One Step Ahead with Digital Twins
Neue Partnerschaft von VidiPlus & CADENAS erweckt interaktive 3D CAD Modelle in Videokonferenzen zum Leben
New partnership of VidiPlus & CADENAS brings interactive 3D CAD models to life in video conferences
495 kB; PNG Bild
Webinar: STEP vs. NATIVE CAD Daten – Was ist der Unterschied und warum es Sie als Hersteller interessieren sollte
334 kB; PNG Bild
小型位置決めピンメーカーの大きな成功:CADENAS 提供の 3D CAD ポータルによりドイツ DOCERAM 社の売上が大幅に増加
35 kB; Jpeg Bild
Big success with small positioning pin: 3D CAD portal powered by CADENAS helps DOCERAM to significantly increase sales
Großer Erfolg mit kleinem Positionierstift: 3D CAD Portal powered by CADENAS verhilft DOCERAM zu beachtlicher Umsatzsteigerung
152 kB; Jpeg Bild
182 kB; Jpeg Bild
56 kB; Jpeg Bild
CADENAS and Perspectix enter into technology partnership
CADENAS und Perspectix schließen Technologie-Partnerschaft
Zugriff auf Millionen 3D CAD Modelle powered by CADENAS direkt in MegaCAD Metall & Maschinenbau
Access millions of 3D CAD models powered by CADENAS directly in MegaCAD Metal & Mechanical Engineering
Saris Infrastructure präsentiert 3D Katalog mit BIM CAD Modellen zur Verbesserung der Fahrradinfrastruktur
44 kB; Jpeg Bild
Whitepaper: How component manufacturers succeed in digital transformation
Saris launches all-new 3D online configurator with on-demand CAD & BIM models
137 kB; PNG Bild
Wilo setzt auf innovatives Produkterlebnis durch Kombination von Digitalem Zwilling von CADENAS & PIM System von eggheads
Tipco Inc. launches 3D CAD product catalog powered by CADENAS with precision tooling components
Tipco Inc. veröffentlicht 3D CAD Produktkatalog powered by CADENAS mit Komponenten für Präzisionswerkzeuge
Smartes Dreiergespann für zentrales Teilemanagement
Smart trio for central parts management
Breathtaking frequency: 1,260 CAD model downloads per minute by architects, engineers and planners
Atemberaubende Frequenz: 1260 CAD Modelle Downloads pro Minute durch Architekten, Ingenieurinnen und Planer
New ETIM BIM portal of ETIM Deutschland simplifies processes in digital building planning
99 kB; Jpeg Bild
Neues ETIM BIM Portal von ETIM Deutschland vereinfacht Prozesse bei der digitalen Gebäudeplanung
Four in one sweep: New VDI 3805 guidelines for building automation and electrical engineering
Vier auf einen Streich: Neue VDI 3805 Richtlinien für Gebäudeautomation und Elektrotechnik
Standard Lifters Inc. launch 3D Online Configurator with on-demand CAD models powered by CADENAS
Standard Lifters Inc. veröffentlicht Online Konfigurator mit intelligenten 3D CAD Modellen powered by CADENAS
CADENAS eröffnet Kompetenzzentrum für TGA konforme BIM CAD Produktdaten nach VDI 3805 / ISO 16757
CADENAS open Competence Center for VDI 3805 / ISO 16757 compliant BIM CAD product data for MEP
Festo glänzt mit goldenem Katalogsiegel von CADENAS: Ausgezeichneter digitaler 3D CAD Produktkatalog
24 kB; Jpeg Bild
179 kB; PNG Bild
Festo 3D CAD product catalog awarded "Golden Catalog Seal" by CADENAS
New in Autodesk App Store: Plugin delivers BIM objects with LOD/LOG for Autodesk Revit & AutoCAD Architecture
280 kB; PNG Bild
Neu im Autodesk App Store: Plugin liefert BIM Objekte mit LOD/LOG für Autodesk Revit & AutoCAD Architecture
CADENAS 3DfindIT.com equipment models integration accelerates engineering efficiency for AVEVA E3D Design users
Nahtlose Integration von 3D CAD Modellen von 3DfindIT.com in AVEVA E3D Design steigert Konstruktionseffizienz
Girls'Day 2021 - CADENAS Entwicklerinnen gaben Einblicke in ihre spannenden IT-Berufe
114 kB; PNG Bild
malotech relies on CADENAS technology for digital BIM CAD data of its fresh water modules
62 kB; PNG Bild
malotech setzt auf CADENAS Technologie für digitale BIM CAD Daten ihrer Frischwassermodule
904 kB; PNG Bild
Sven Dietrich
48 kB; Jpeg Bild
Wolfgang Nagl, new Vice President International Sales for eCATALOGs & Digital Twins
40 kB; Jpeg Bild
CADENAS push internationalization with new sales structure for Electronic CAD Product Catalogs division
Digitale Transformation
12 kB; Jpeg Bild
Sven Dietrich, neuer Sales Director D-A-CH für den Bereich eCATALOGs & Digital Twins
Wolfgang Nagl, neuer Vice President International Sales für den Bereich eCATALOGs & Digital Twins
CADENAS treibt Internationalisierung voran mit neuer Vertriebsstruktur für den Bereich Elektronische CAD Produktkataloge
CADENAS erweitert Serverinfrastruktur um nordamerikanischen Standort
CADENAS expands server infrastructure with North American site
Easysteck coniuga servizio clienti e digital marketing con il nuovo configuratore di prodotto CAD 3D powered by CADENAS
Easysteck combines customer service with digital marketing through 3D CAD product configurator powered by CADENAS
Easysteck verbindet Kundenservice und digitale Vermarktung durch 3D CAD Produktkonfigurator powered by CADENAS
Ortman Fluid Power veröffentlicht neuen on-demand Produktkonfigurator mit 3D CAD Downloads und dynamischer Preisvorschau
Ortman Fluid Power launches all-new on-demand configurator tool with 3D CAD downloads and live pricing
119 kB; PNG Bild
EVBox beschleunigt in Richtung digitale Transformation mit 3D BIM CAD Produktkatalog powered by CADENAS
CADENAS Highlights im neuen Kundenmagazin 2020
244 kB; PNG Bild
Screenshot Thomson
3D CAD configurator for Thomson ball screws streamlines online product selection
140 kB; PNG Bild
Neuer 3D CAD Konfigurator für Thomson Kugelgewindetriebe beschleunigt Online Produktauswahl
131 kB; PNG Bild
家具の動作シーケンスが設計段階でテスト可能に
La séquence de mouvement des meubles peut maintenant être testée pendant la phase de planification
143 kB; PNG Bild
Motion sequence of furniture can now be tested during the planning phase
117 kB; PNG Bild
Digitaler Zwilling für den Möbelbau: Würth ermöglicht mit CADENAS BIM Bewegungssimulation für Scharniere & Auszüge
132 kB; Jpeg Bild
Attention to all future engineers: The Engineering Newcomer Challenge 2021 enters the next round
Nachwuchsingenieure aufgepasst: Die Engineering Newcomer Challenge startet 2021 in eine neue Runde
Baart Industrial Group launch product configurator for Vortex VXT series speed reducers powered by CADENAS
157 kB; PNG Bild
Baart Industrial Group setzt auf Produktkonfigurator powered by CADENAS für seine Drehzahlminderer-Serie Vortex VXT
VENTAFLEX minimiert Konstruktionszeiten deutlich dank BIM CAD Modellen & Online-Konfigurator powered by CADENAS
332 kB; PNG Bild
[事例] 独 VENTAFLEX 社、CADENAS 製の BIM/CAD モデルとオンラインコンフィグレーターにより設計時間を大幅に短縮
VENTAFLEX réduit considérablement le temps de conception grâce aux modèles CAO BIM et au configurateur en ligne de CADENAS
VENTAFLEX significantly minimizes design time thanks to BIM CAD models & online configurator powered by CADENAS
3D BIM Katalog für Multifunktions-Stahltüren öffnet Novoferm Tür und Tor zur Digitalisierung
3D BIM catalog for steel hinged doors opens the door to digitization for Novoferm
More than 666 million CAD model downloads in 2020: Manufacturer catalogs powered by CADENAS accelerate to top speed
Über 666 Millionen CAD Modelle Downloads im Jahr 2020: Herstellerkataloge powered by CADENAS sind ganz vorne mit dabei
3DfindIT.com directly integrated into FreeCAD: Users benefit from millions of CAD models from manufacturer catalogs powered by CADENAS
219 kB; PNG Bild
3DfindIT.com direkt in FreeCAD integriert: User profitieren von Millionen CAD Modellen aus Herstellerkatalogen powered by CADENAS
Clark-Reliance Corporation releases an online model builder for Jacoby-Tarbox sight flow indicators
Clark-Reliance Corporation veröffentlicht 3D Produktkonfigurator für Jacoby-Tarbox Durchflussanzeiger
Pump Technology launch 3D BIM library for wastewater & sewage pumping systems powered by CADENAS
Pump Technology veröffentlicht 3D BIM Katalog für Abwasserpumpsysteme powered by CADENAS
キャデナス・ウェブ・ツー・キャド株式会社 代表取締役社長交代のお知らせ
Yasuhiko Murata
133 kB; PNG Bild
Weltweite Standorte der CADENAS GmbH
CADENAS WEB2CAD Inc. stellt mit neuem CEO in Japan die Weichen in Richtung Zukunft
110 kB; Jpeg Bild
TENADO expands CAD & BIM catalog integration powered by CADENAS
TENADO baut Integration von CAD & BIM Katalogen powered by CADENAS aus
201 kB; PNG Bild
Multi CAD data for MCAD and ECAD from a single data source makes digital twins a reality
Harting Han 25D-STI-C: Multi CAD Komponente - Mechanische Konstruktion - Autodesk Inventor
Mit Multi CAD Daten für MCAD und ECAD aus einer einzigen Datenquelle zum digitalen Zwilling
Neue Kooperation: ETIM Deutschland & CADENAS werden gemeinsam BIM Daten für ETIM MC bereitstellen
Example of a BIM CAD model of a component based on the ETIM standard.
New cooperation: ETIM Deutschland & CADENAS will jointly provide BIM data for ETIM MC
Versa Products launches 3D CAD selector for V-Series Valves
Versa Products bringt 3D CAD Produktkatalog für Ventile der V-Serie auf den Markt
All screws and dimensions relevant for timber construction in the SPAX BIM portal
33 kB; PNG Bild
Jetzt neu: SPAX BIM Portal powered by CADENAS bietet CAD Daten von Schrauben
25 kB; Jpeg Bild
2D & 3D data of SPAX screws in various data formats optimize planning process
Digital design and construction: SPAX optimizes project planning in timber construction with its own BIM portal
Alle für den Holzbau relevanten Schrauben und Abmessungen im SPAX BIM Portal
2D & 3D Daten von SPAX Schrauben in diversen Datenformaten optimieren Planungsprozess
Pentair Jung Pumpen simplifies information exchange with architects and planners thanks to digital twins
Pentair Jung Pumpen vereinfacht den Informationsaustausch mit Architekten und Planern dank digitaler Zwillinge
BIM-Portal der ARGE als zentrale Plattform für BIM Produktinformationen
BIM für SHK & Haustechnik: Neues BIM Downloadportal der ARGE Neue Medien powered by CADENAS
23 kB; Jpeg Bild
ARGE BIM-portal as a central platform for BIM product information
BIM for HVAC: New BIM download portal of ARGE Neue Medien powered by CADENAS
37 kB; PNG Bild
Graphic
New Highscore! Over 72 million CAD downloads (=sales leads) in September 2020
Grafik
Neuer Highscore! Über 72 Millionen CAD Downloads (=Sales Kontake) im September 2020
World Standards Day 2020 - Why norms and standards are the superheroes in engineering
21 kB; Jpeg Bild
World Standards Day 2020 - Warum Normen und Standards die Superhelden im Engineering sind
18 kB; Jpeg Bild
Bildungseinrichtungen zählen ebenfalls zu den Gewinnern beim Engineering Newcomer
Platz 3: Metallkreissäge zur akkuraten Metallbearbeitung
69 kB; Jpeg Bild
Platz 2: Mobile Forstwinde zur sicheren Baumfällung
Platz 1: Hub- und Schwenkvorrichtung für verbesserte Ergonomie am Arbeitsplatz
Nachwuchsingenieure wurden bei Online Preisverleihung für kreativste Konstruktionen mit praktischem Mehrwert ausgezeichnet
254 kB; Jpeg Bild
Individual ETIM BIM catalog from the Dortmund technology specialist Wilo
107 kB; PNG Bild
Wie Hersteller ihre ETIM MC (Modeling Class) mit CADENAS individualisieren
20 kB; PNG Bild
18 kB; PNG Bild
17 kB; PNG Bild
Individueller ETIM BIM Katalog des Dortmunder Technologiespezialists Wilo
Digital twin: con CADENAS Balluff fornisce il formato AutomationML come fonte centrale di informazioni di prodotto
22 kB; Jpeg Bild
The Balluff product data is managed in a central data source and is therefore always up-to-date and available free of charge on the Balluff website, the Balluff product catalog based on CADENAS technology and on the EPLAN and AML portal
Digital twin: Balluff delivers AutomationML format as a central product information source, powered by CADENAS
Die Balluff Produktdaten werden in einer zentralen Datenquelle verwaltet und stehen damit stets aktuell auf der Balluff Webseite, dem Balluff Produktkatalog basierend auf CADENAS Technologie sowie auf dem EPLAN und AML Portal kostenlos zur Verfügung
EPLAN Daten von Balluff Sensoren ermöglichen Automatisierung in der Elektrotechnik
Digitaler Zwilling: Balluff wandelt mit CADENAS AutomationML Format in zentrale Produktinformationsquelle um
Leiter des Podcasts Wolfgang Nagl, Sales Director eCATALOGS & Digital Twins bei CADENAS
65 kB; Jpeg Bild
Neuer CADENAS Podcast gibt praxisnahe Tipps & Tricks zu digitaler Transformation & Digitalen Zwillingen
Accelerated production of prototype tools through CADENAS shape search & AddiFab 3D printing technology
Die drei Stufen des Freeform Injection Molding (von links): Bedruckte Werkzeuge, bedruckte Werkzeuge nach dem Einspritzen, Komponenten nach der Entformung
Beschleunigte Fertigung von Prototypenwerkzeugen durch CADENAS Ähnlichkeitssuche & AddiFab 3D Drucktechnologie
Reid Supply launches online catalog with interactive 3D preview, configurable PDF datasheets and CAD downloads in 150+ formats
Reid Supply veröffentlicht Online Produktkatalog mit eCATALOGsolutions Technologie powered by CADENAS
Jetzt mit CADENAS VDI 3805 / ISO 16757 Produktdaten TGA konform bereitstellen
Provide VDI 3805 / ISO 16757 product data HVAC compliant with CADENAS now
KUKAMET takes important step towards digitization with 3D CAD product catalog powered by CADENAS
KUKAMET macht wichtigen Schritt Richtung Digitalisierung mit 3D CAD Produktkatalog powered by CADENAS
CADENAS startet nach Umzug in neues Innovationszentrum im Augsburger Norden durch
63 kB; Jpeg Bild
62 kB; Jpeg Bild
39 kB; PNG Bild
CADENAS team scores with 66 million CAD downloads (=sales leads) in July
36 kB; PNG Bild
CADENAS Team punktet mit 66 Mio. CAD Downloads (=Sales Kontakte) im Monat Juli
best wood SCHNEIDER goes BIM powered by CADENAS
CADENAS integriert 3DfindIT.com in Solid Edge 2021 um Konstruktionszeiten zu beschleunigen
183 kB; PNG Bild
86 kB; PNG Bild
NUSSER offers 3D BIM objects of urban furniture powered by CADENAS for easier planning
3D BIM Objekt eines NUSSER Abfalleimers mittels Augmented Reality Technologie realitätsnah in die Landschaft integriert
NUSSER bietet 3D BIM Objekte von Stadtmöbeln powered by CADENAS für einfachere Planungen
60 kB; Jpeg Bild
Nuovo record di download: "Highway to Sell" per i produttori di componenti con oltre 56 milioni di download CAD (= sales leads) a giugno
35 kB; PNG Bild
Download record: "Highway to Sell" for component manufacturers with over 56 million CAD downloads (= sales leads) in June
52 kB; PNG Bild
Downloadrekord: "Highway to Sell" für Komponentenhersteller mit über 56 Mio. CAD Downloads (= Sales Kontakte) im Monat Juni
CADENAS technology simplifies access to planning data for mechanical engineers using Siemens industrial products
Siemens Schütz mit allen planungsrelevanten Informationen in Siemens Teamcenter powered by CADENAS
126 kB; PNG Bild
SIRIUS 3RB3 Überlastrelais als 3D CAD Modell basierend auf der CADENAS Technologie für Teilekataloge in Siemens NX
389 kB; PNG Bild
CADENAS Technologie vereinfacht Zugang zu Planungsdaten von Siemens Industrieprodukten für Maschinenbauer
124 kB; PNG Bild
Schnellere und günstigere Produktkonstruktion durch wichtige Metadaten, wie End-of-Life
OMRON stellt 3D Engineering Daten für OEM- und Industriekunden in CADENAS Lösungen zur Verfügung
116 kB; PNG Bild
End-of-life information of an OMRON component in the digital product catalog
OMRON provides 3D engineering data in CADENAS solutions for OEM and industrial customers
(HR) Kako inženjeri i arhitekti pronalaze potrebne CAD i BIM komponente u vrijeme digitalizacije
Comment les ingénieurs et les architectes trouvent-ils le bon composant CAO & BIM à l'heure de la numérisation
How engineers and architects find the right CAD & BIM manufacturer component in times of digitization
65 kB; PNG Bild
8. Funktionalitätssuche
47 kB; PNG Bild
7. Rastersuche
66 kB; PNG Bild
6. Indexsuche
24 kB; PNG Bild
5. Textsuche
71 kB; PNG Bild
4. Filtersuche
46 kB; PNG Bild
3. Farbsuche
64 kB; PNG Bild
2. Geometrische Suche
1. Skizzensuche
So finden Ingenieure und Architekten in Zeiten der Digitalisierung die passende CAD & BIM Herstellerkomponente
Digitalization: New Wilo BIM-portal powered by CADENAS online
Digitalisierung: Wilo geht mit neuem BIM-Portal powered by CADENAS live
Updated BIMcatalogs.net plugin powered by CADENAS: BIM objects directly available in Revit 2021, ARCHICAD 23 & Allplan 2020
Aktualisiertes BIMcatalogs.net Plugin powered by CADENAS: BIM Objekte direkt in Revit 2021, ARCHICAD 23 & Allplan 2020 verfügbar
138 kB; PNG Bild
Smalley lancia una nuova serie di molle con il configuratore di prodotto online powered by CADENAS
Smalley launches new nested series springs with online product configurator powered by CADENAS
139 kB; PNG Bild
Smalley führt neue Produktreihe von Wellenfedern mit Online Produktkonfigurator powered by CADENAS ein
Comment les fabricants de composants précurseurs font face sereinement à la révolution technologique actuelle
How component manufacturers as early adopters can calmly face the current technology revolution
151 kB; PNG Bild
Wie Komponentenhersteller als Early Adopter gelassen der aktuellen Technologierevolution entgegenblicken können
Just galactic! 3D CAD spaceship from CADENAS PARTcloud.net on the cover of a science fiction magazine
MARSONIA by Josip Jakubiv is licensed under: Creative Commons - Attribution-ShareAlike International
Einfach galaktisch! 3D CAD Spaceship von CADENAS PARTcloud.net auf Cover eines Science-Fiction Magazins
91 kB; Jpeg Bild
Ab sofort freigegebene ETIM Modeling Classes (MC) mit CADENAS umsetzen
92 kB; Jpeg Bild
Implement ETIM Modeling Classes (MC) with CADENAS
172 kB; PNG Bild
161 kB; PNG Bild
Kundenmagazin: Rückblick 2019 zeigt, wie CADENAS mit innovativen Technologien wieder vollkommen neue Welten erschließen konnte
Certified SAE/AS native CAD standards: 3D parts models for Dassault SOLIDWORKS
Zertifizierte native CAD Standards nach SAE/AS: 3D Modelle von Komponenten für Dassault SOLIDWORKS
193 kB; PNG Bild
One record chases the next: 46mn CAD downloads (=sales leads) in April send a clear signal of the great importance of digitalization
Ein Rekord jagt den nächsten: Über 46 Millionen CAD Downloads (= Sales Kontakte) im April setzen klares Zeichen für große Bedeutung der Digitalisierung
42 kB; PNG Bild
Digitalisierung als Wettbewerbsvorteil: KRAUS Austria startet Produktkonfigurator für Tragrollen powered by CADENAS
In times of digitalization, KRAUS Austria relies on its new conveyor rollers configurator and on comprehensive personal consultation, for example by means of video conferencing
Digitalization as competitive advantage: KRAUS Austria launches product configurator for conveyor rollers powered by CADENAS
Conveyor manufacturer improves customer experience giving them new, useful tools
Hersteller von Förderbändern erhöht mit neuen, nützlichen Tools die Kundenzufriedenheit
40 kB; PNG Bild
The number of 3D CAD downloads is also increasing thanks to the innovative visual search engine for 3D manufacturer components 3Dfindit.com and the 3D CAD models download portal PARTcommunity, both developed by CADENAS.
Numerous component manufacturers rely on digital product catalog solutions from CADENAS for their digitization strategy
54 kB; PNG Bild
Die richtige Digitalisierungsstrategie führt langfristig zum Erfolg
Die Anzahl der 3D CAD Downloads steigt auch dank der innovativen visuellen Suchmaschine für 3D Herstellerkomponenten 3Dfindit.com sowie dem 3D CAD Modelle Downloadportal PARTcommunity, die beide von CADENAS entwickelt wurden.
Zahlreiche Komponentenhersteller setzen bei ihrer Digitalisierungsstrategie auf digitale Produktkataloglösung von CADENAS
Gemeinsam sind wir stark: CADENAS unterstützt Augsburger Gastronomie in schwierigen Zeiten
435 kB; Jpeg Bild
70 kB; Jpeg Bild
121 kB; Jpeg Bild
83 kB; PNG Bild
Direkter Zugriff auf Eaton Produktdaten aus BIM Software heraus
BIM Daten von Eaton im richtigen Format zum richtigen Zeitpunkt
Eaton erweitert bestehenden CAD Produktkatalog in Zusammenarbeit mit CADENAS um BIM Daten
Eaton Emergency Lighting launches BIM product data for Revit, ARCHICAD, Allplan, SketchUp and Tekla
Schnellere Konstruktionen im Maschinenbau dank neuem uversa CAD Produktkatalog powered by CADENAS
152 kB; PNG Bild
Faster designs in mechanical engineering thanks to new uversa CAD product catalog powered by CADENAS
146 kB; PNG Bild
Monkeytoe sets stage for international and multi-industry BIM & CAD solution
85 kB; PNG Bild
Monkeytoe stellt Weichen für branchenübergreifende und internationale BIM & CAD Lösung
209 kB; PNG Bild
No wrong matches due to the clever combination of the intelligent search methods of CADENAS
210 kB; PNG Bild
Keine falschen Treffer durch die clevere Kombination der intelligenten Suchmethoden von CADENAS
Kluge Köpfe aufgepasst: Die Engineering Newcomer Challenge 2020 ist gestartet
AR con e senza Occlusion Feature
248 kB; PNG Bild
iCONN Systems launches interactive catalog of online CAD downloads powered by CADENAS
74 kB; Jpeg Bild
23 der über 100 kroatischen Mitarbeiterinnen und Mitarbeiter der CADENAS Niederlassung in Slavonski Brod sind für die Modellierung der Engineering Daten bei CADENAS Solutions zuständig
Und in Bremen ist Alexander Goldschweer als Key Account Manager für CADENAS Solutions tätig
Effektiver Vertrieb direkt vor Ort: Tomas Eriksson betreut in Stockholm Kunden aus Skandinavien
Seit 2004 gehört Markus Poppinghuys mit seinem Team in Essen zur CADENAS Solutions GmbH
Seit 20 Jahren erfolgreich am Markt: Das CADENAS Solutions Team in Wolfsburg
Die Anfänge der CADENAS Solutions GmbH mit Geschäftsführer Alen Blechinger in Wolfsburg um das Jahr 2000
10 kB; Jpeg Bild
8 kB; Jpeg Bild
20 Jahre CADENAS Solutions in Wolfsburg
150 kB; PNG Bild
The so-called 'explosion view' clearly displays all individual components of the assembly
154 kB; PNG Bild
The complex AXE assembly is automatically configured by the interactive product configurator according to customer requirements
Step into the future: Simple and fast configuration of modern SNR axis systems
70 kB; PNG Bild
Schritt in die Zukunft: Moderne SNR Achssysteme einfach und schnell konfigurieren
72 kB; PNG Bild
CADENAS supports Automation Designer Product Data Workflow
268 kB; PNG Bild
Über Such- und Filter-Funktionalitäten lassen sich im Automation Designer Community Portal die benötigten Komponenten selektieren und in die NX Reuse Library integrieren
279 kB; PNG Bild
Der Grundstock des Automation Designer Community Portals von CADENAS: Digitale Zwillinge der Komponenten und Bauteile von zahlreichen Anbietern
CADENAS unterstützt den Automation Designer Produktdaten Workflow
CADENAS lässt die Korken knallen: 405 Millionen 3D CAD Modelle Downloads im Rekordjahr 2019
CADENAS, kutlamaları başlatıyor: Rekor senesi 2019'da 405 Milyon 3B CAD model indirmesi gerçekleşti
Un brindisi per CADENAS: 405 milioni di modelli CAD 3D scaricati nell'anno da record 2019
345 kB; PNG Bild
Jürgen Heimbach
28 kB; PNG Bild
CADENAS pops the corks: 405 million 3D CAD models downloaded in record year 2019
OCERAM relies on 3D CAD product catalog powered by CADENAS for its digitization strategy
DOCERAM GmbH präsentierte die digitalen Produktdaten ihrer Schweißvorrichtungen auf der Blechexpo 2019
Geschäftsführer Dipl.-Wirtschaftsingenieur Stefan Veltum (rechts), und Key Account Manager Automotive Jens Cremer International (links) bei der DOCERAM GmbH präsentieren die digitalen Produktdaten ihrer Schweißvorrichtungen
118 kB; Jpeg Bild
Neues 3D CAD Portal ermöglicht Online Konfiguration und CAD Download digitaler Zwillinge von Schweißvorrichtungen
299 kB; PNG Bild
Simulation einer Produktionslinie mit einem Arbeitsplatzsystem RK Easyworks von Rose+Krieger im 3D Softwaretool taraVRbuilder
Virtuelle Planung leichtgemacht: 3D CAD Herstellerkataloge powered by CADENAS künftig nahtlos in tarakos Planungs- und Simulationssoftware integriert
Simple online configuration of modern workstation systems from RK Rose+Krieger
Moderne Arbeitsplatzsysteme von RK Rose+Krieger einfach online konfigurieren
38 kB; PNG Bild
39 million CAD models downloaded for the first time in one month
Erstmals über 39 Mio. CAD Modelle Downloads im Monat
955 kB; PNG Bild
Outstanding online service powered by CADENAS leads to more growth at Power Jacks
321 kB; PNG Bild
Anwenderbericht: Herausragender Online-Service powered by CADENAS führt zu mehr Wachstum bei Power Jacks
253 kB; PNG Bild
5 clevere Tipps, wie Architekten & Bauplaner schneller passende BIM CAD Komponenten finden
401 kB; PNG Bild
CADENAS zieht 2020 in größere, hochmoderne Büroräume
New BricsCAD Plugin powered by CADENAS: Insert 3D CAD & BIM models free of charge into designs & plannings
Neues BricsCAD Plugin powered by CADENAS: 3D CAD & BIM Modelle kostenlos in Konstruktionen & Planungen einfügen
111 kB; Jpeg Bild
Case Study: Digital product catalogs by CADENAS optimize development process for production lines
194 kB; PNG Bild
Anwenderbericht: Digitale Produktkataloge von CADENAS optimieren den Entwicklungsprozess von Fertigungslinien
117 kB; Jpeg Bild
CAD Models Engineering App powered by CADENAS reaches over 1 million installations
3D CAD Models Engineering App von CADENAS freut sich über 1 Million Installationen
3D CAD Downloads weiter im Aufwind – CADENAS verzeichnet erstmals über 38 Mio. heruntergeladene CAD Modelle im Monat
Nuovo record di download - CADENAS registra 38 milioni di download di modelli CAD 3D in un mese
11 kB; PNG Bild
3D CAD downloads still on the upwind - CADENAS records over 38 million downloaded CAD models per month for the first time
227 kB; Jpeg Bild
Der digitaler Produktkatalog optimiert Informationsfluss zwischen Konstrukteuren und dem Hersteller von Lichtsystemen
66 kB; Jpeg Bild
Mit skalierbarem 3D CAD Produktkatalog von CADENAS ist Schrempp electronic für die Zukunft gewappnet
935 kB; PNG Bild
Wer nächstes Jahr beim Engineering Newcomer Award 2020 dabei sein will, hat jetzt schon die Möglichkeit unter www.engineering-newcomer.com teilzunehmen
119 kB; Jpeg Bild
Der 3. Platz des Engineering Newcomer Awards 2019 ging an Matthias Hengge, Gabriel Eugler und Alexander Stoll von der Technikerschule Allgäu Kempten für ihren easyBoat Motor
Albin Wolfersberger und Tobias Zehnder von der HTBLA Salzburg sicherten sich mit ihrer selbst entwickelten Aluschalenpresse den 2. Platz.
120 kB; Jpeg Bild
Okpamen Obasogie und sein Team von der Landmark University Kwara State Nigeria wurden für ihren thermoelektrischen Generator InaLite mit Platz 1 belohnt
Projekte für mehr Nachhaltigkeit überzeugen beim Engineering Newcomer Wettbewerb 2019
47 kB; Jpeg Bild
PARTsolutions makes it easy to find the unmachined part for the perfect finishing touch
297 kB; PNG Bild
Mit PARTsolutions einfach das passende Rohteil für den perfekten Feinschliff finden
72 kB; Jpeg Bild
BUMAX optimiert seine frei verfügbaren CAD Produktdaten
196 kB; Jpeg Bild
Bildquelle: Wanzl Metallwarenfabrik GmbH
142 kB; PNG Bild
PARTsolutions bietet Wanzl direkt in SOLIDWORKS Zugriff auf 3D CAD Engineering Daten aus über 700 Herstellerkatalogen.
442 kB; PNG Bild
109 kB; Jpeg Bild
Integration des Strategischen Teilemanagements PARTsolutions und der 3D CAD Herstellerkataloge in CATIA V6
73 kB; Jpeg Bild
Find the perfect pieces for the whole puzzle with the PARTsolutions search for mounting parts
Mit der PARTsolutions Anbauteilsuche die perfekten Puzzlestücke für das große Ganze finden
Over 500 CADENAS manufacturer catalogs available for Unity Game-Engine users
113 kB; Jpeg Bild
Über 500 CADENAS Herstellerkataloge für Unity Game-Engine Nutzer verfügbar
Neuer Service von CeaseFire ermöglicht Import nativer 3D BIM CAD Daten von Brandschutzkomponenten direkt in Autodesk Revit
329 kB; PNG Bild
Mit der umfangreichen, skalierbaren Lösung für Elektronische Produktkataloge von CADENAS kann Cubis seinen Kunden notwendige Konstruktionsdaten online zur Verfügung stellen
82 kB; Jpeg Bild
Cubis arbeitet im Bereich vom Ausbau von Telekommunikationsnetzen bis hin zu großen Eisenbahn-Infrastrukturprojekten, um innovative Netzzugangssysteme für diverse Versorgungsunternehmen und Netzbetreiber anzubieten
203 kB; Jpeg Bild
Cubis Systems hat seinen neuen 3D BIM CAD Produktkatalog in Zusammenarbeit mit CADENAS basierend auf der eCATALOGsolutions Technologie veröffentlicht
105 kB; Jpeg Bild
Digital twin e Games technology - Integrazione dei cataloghi CADENAS in Game4Automation
452 kB; PNG Bild
Digital twin and games technology - Integration of CADENAS manufacturer catalogs into Game4Automation
219 kB; Jpeg Bild
534 kB; PNG Bild
MDL Europe increases the number of its 3D CAD downloads with CADENAS by 291 % in 9 months
370 kB; PNG Bild
MDL Europe steigert Anzahl seiner 3D CAD Downloads mit CADENAS um 291% in 9 Monaten
86 kB; Jpeg Bild
166 kB; PNG Bild
Innovation Company gratuliert Innovation City Augsburg zum UNESCO Weltkulturerbe
258 kB; Jpeg Bild
3Dfind.it eröffnet einzigartige Suchfunktionen über Millionen 3D CAD & BIM Modelle aus weltweit verfügbaren Herstellerkatalogen.
CADENAS präsentiert mit 3Dfind.it die visuelle Suchmaschine der nächsten Dimension für 3D Herstellerkomponenten.
246 kB; Jpeg Bild
Color now comes into play - Find components with color search within PARTsolutions
238 kB; PNG Bild
Jetzt kommt Farbe ins Spiel - Mit der Farbsuche innerhalb PARTsolutions Komponenten finden
167 kB; PNG Bild
248 kB; Jpeg Bild
101 kB; Jpeg Bild
Wie man Sales Leads generiert - Made In Britain führt exklusives Experteninterview mit Power Jacks & CADENAS
59 kB; PNG Bild
Green light for 3Dfind.it - The visual search engine of the next dimension for 3D manufacturer components
Startschuss für 3Dfind.it - Die visuelle Suchmaschine der nächsten Dimension für 3D Herstellerkomponenten
64 kB; Jpeg Bild
88 kB; Jpeg Bild
26 kB; PNG Bild
Scopri le novità della versione 9 di PARTcommunity con nuove fantastiche funzionalità dal punto di vista del marketing
186 kB; PNG Bild
139 kB; Jpeg Bild
76 kB; Jpeg Bild
205 kB; Jpeg Bild
195 kB; PNG Bild
80 kB; PNG Bild
New PARTcommunity Version 9 captivates through optimized 3D CAD download & impressive marketing features
82 kB; PNG Bild
Neue PARTcommunity Version 9 besticht durch optimierten 3D CAD Download & eindrucksvolle Marketingfeatures
80 kB; Jpeg Bild
375 kB; PNG Bild
289 kB; PNG Bild
CADENAS unterstützt internationalen Modellflugwettbewerb in Kroatien
97 kB; Jpeg Bild
Rapid increase of CAD download numbers in recent years
191 kB; PNG Bild
The triple is perfect: PARTcommunity shines for three months in a row with a new 3D CAD models download record
Tomas Eriksson
328 kB; Jpeg Bild
CADENAS baut seine Präsenz in Skandinavien aus
835 kB; PNG Bild
Vision Engineering & CADENAS enable the display of digital components with revolutionary 3D display technology
Vision Engineering & CADENAS ermöglichen Darstellung von digitalen Bauteilen mit revolutionärer 3D Display-Technologie
49 kB; PNG Bild
Innerhalb eines Monats haben Ingenieure und Einkäufer erstmals 32.149.178 Engineering Daten heruntergeladen
Neuer Rekord von 32 Mio. CAD Downloads reißt PARTcommunity Bestmarke vom Vormonat ein
Ingenieure erhalten in Sekundenschnelle benötigte 3D Modelle für GCT Steckverbinder
90 kB; Jpeg Bild
Automatische Klassifikation von Komponenten der CADENAS Herstellerkataloge mit BCT aClass
HighLIGHTS im Kundemagazin 2018 zeigen, dass CADENAS in vielen Bereichen immer wieder innovative Impulse setzt
329 kB; Jpeg Bild
SIG benefits from the integration of the PLM system CIM DATABASE in PARTsolutions by CADENAS
61 kB; PNG Bild
SIG profitiert von Integration des PLM Systems CIM DATABASE in PARTsolutions von CADENAS
127 kB; PNG Bild
New PARTcommunity record claims the throne - Over 31 million 3D CAD downloads in March
77 kB; PNG Bild
129 kB; PNG Bild
Neuer PARTcommunity Rekord beansprucht erneut Thron für sich - Über 31 Millionen 3D CAD Downloads im März
CADENAS Gastvortrag an türkischer Uni gab Studierenden Einblicke in die Welt der 3D CAD Modelle
270 kB; PNG Bild
Deutscher Normteile Award 2019
151 kB; Jpeg Bild
1002 kB; PNG Bild
144 kB; Jpeg Bild
20 years of CADENAS Industry Forum and always keeping pace with the times
123 kB; Jpeg Bild
104 kB; Jpeg Bild
Begleitet wurde der CADENAS Kongress von einer integrierten Fachausstellung zahlreicher renommierter Unternehmen
94 kB; Jpeg Bild
Parallel zu den Best Practice Vorträgen fanden beim Industry Forum interaktive Workshops statt
Zum ersten Mal wurden fünf Diskussionsrunden sogenannte ‚Innovation Dialog Tables‘ veranstaltet, um den gegenseitigen Austausch weiter zu fördern
Eröffnet wurde das diesjährige Industry Forum von CADENAS Geschäftsführer Jürgen Heimbach mit einem Rückblick auf die Höhepunkte der letzten 20 Jahre des Fachkongresses
20. Industry Forum von CADENAS verzeichnet Besucherrekord
294 kB; Jpeg Bild
Das Modulgerüst PERI Up Flex
540 kB; PNG Bild
PERI UP Easy ermöglicht eine schnelle und einfache Montage des Rahmengerüsts
PERI Up Flex Arbeitsplattformen für Rundgerüste
Architekten, Planern und Bauingenieuren stehen 2D & 3D CAD Modelle mit BIM Informationen von mehr als 200 PERI Gerüstbauteilen in über 150 CAD Formaten zum kostenlosen Download zur Verfügung
402 kB; Jpeg Bild
Neue BIM CAD Bauteilbibliothek von PERI für den Gerüstbau powered by CADENAS
CADENAS unterstützt neuen multifunktionalen Medienraum an Augsburger Gymnasium
358 kB; PNG Bild
466 kB; PNG Bild
305 kB; PNG Bild
Feierliche Eröffnung des neuen Multimediaraums: v. l. Jürgen Heimbach von CADENAS, Jörg Haas Mitarbeiter in der Schulleitung des Jakob-Fugger-Gymnasiums und Projektleiter edu.lab, Walter Leder von CADENAS
Der frühe Vogel fängt den "Wurm" mit PURCHINEERING 2.0 von CADENAS
180 kB; PNG Bild
71 kB; Jpeg Bild
In 2018, the team of the Städtischen Technikerschule München, with Michael Balletshofer, Christoph Falk and Korbinian Koch, won first prize at the Engineering Newcomer for their developed filling device
267 kB; Jpeg Bild
List of winners from 2014 - 2018
204 kB; Jpeg Bild
Engineering Newcomer 2019
105 kB; PNG Bild
Thus, component manufacturers are taking the decisive step towards digital product transformation
382 kB; Jpeg Bild
Digital twin supports manufacturing automation thanks to AutomationML 3D CAD download portal
85 kB; Jpeg Bild
Digital twin
115 kB; PNG Bild
So bewerkstelligen Komponentenhersteller den entscheidenden Schritt hin zur digitalen Produkttransformation
376 kB; Jpeg Bild
Digitaler Zwilling
247 kB; PNG Bild
217 kB; PNG Bild
CADENAS ist neues Fördermitglied des GTDE Vereins für grafischen CAD Datenaustausch
145 kB; PNG Bild
SCHUNK GmbH & Co. KG auf ihrem 3D CAD Downloadportal PARTcommunity von CADENAS
100 kB; Jpeg Bild
Bel Fuse launches all-new catalog of electronic 3D component models powered by CADENAS
Bel Fuse erstellt neuen 3D CAD Produktkatalog für elektronische Komponenten mit CADENAS
68 kB; Jpeg Bild
Gamavuoto chooses CADENAS for instant CAD model downloads
133 kB; Jpeg Bild
Gamavuoto präsentiert seinen neuen 3D CAD Produktkatalog von CADENAS
135 kB; Jpeg Bild
156 kB; Jpeg Bild
137 kB; Jpeg Bild
Rekordjahr 2018 für PARTcommunity: Fast 300 Millionen 3D CAD Modelle Downloads innerhalb eines Jahres
869 kB; PNG Bild
101 kB; PNG Bild
Mit der GEOsearch von CADENAS lassen sich Ingenieure kein Kuckucksei ins Nest legen
128 kB; Jpeg Bild
CADENAS Industry Forum heute: eCATALOGsolutions Workshop
221 kB; Jpeg Bild
CADENAS Industry Forum heute: Best Practice Präsentationen
20 Jahre Industry Forum - Rückblick zu den Anfängen
449 kB; PNG Bild
20 Jahre Industry Forum
187 kB; PNG Bild
BuildingPoint Schweiz AG präsentiert BIMcatalogs.net CAD Integration in Tekla Structures beim open BIM FORUM 2019
95 kB; Jpeg Bild
352 kB; PNG Bild
Mit mit wenigen Klicks lassen sich 2D und 3D CAD Modelle direkt in das bestehende Design in IronCAD integrieren
222 kB; PNG Bild
Dank des CADENAS Plugins lassen sich ohne zusätzliche Installation Hunderte Kataloge durchsuchen und die gewünschten CAD Komponenten individuell konfigurieren
163 kB; Jpeg Bild
CADENAS Kooperation mit IronCAD
224 kB; PNG Bild
teigerung der Effizienz von Konstruktion und Engineering durch Millionen von schlüsselfertigen 3D CAD Modellen namhafter internationaler Hersteller
671 kB; PNG Bild
Mit dem neuen Add On ELITECAD PARTS von CADENAS profitieren Anwender von ELITECAD Mechanics 14 nun von detaillierten und aktuellen CAD Daten der Kaufteile
603 kB; Jpeg Bild
3D CAD Modelle sind auf PARTcommunity ab sofort in KOMPAS-3D für die mechanische und elektrische Konstruktion verfügbar
473 kB; Jpeg Bild
3D CAD Modelle sind ab sofort auf BIMcatalogs.net in Renga für die Architektur- und Bauindustrie-Branche verfügbar
126 kB; Jpeg Bild
CADENAS Kooperation mit C3D Labs
111 kB; PNG Bild
Dabei profitieren Hersteller und Ingenieure sowie Konstrukteure von PARTcommunity gleichermaßen
PARTcommunity als tägliches Werkzeug für Millionen Ingenieure
Neuer PARTcommunity Downloadrekord im Oktober: über 28,5 Millionen 3D CAD Modelle
788 kB; PNG Bild
Benutzer der Zuken E³.series ECAD-Umgebung erhalten direkten Zugriff auf das CADENAS-Komponentenportal, wo sie nach den benötigten Teilen suchen und diese direkt in E³.series laden können
696 kB; PNG Bild
Von links nach rechts: Christoph Bayer (ECAD-Port), Joachim Frank (Zuken) und Jürgen Heimbach (CADENAS)
The UK BIM Alliance study shows a fresh way forward for construction product manufacturer's needing to provide a digital representation of their products
349 kB; PNG Bild
Studie der UK BIM Alliance zeigt innovative Wege wie Hersteller die Anforderungen an digitale Baukomponenten erfüllen können
98 kB; PNG Bild
323 kB; Jpeg Bild
Schiedel expands its 3D BIM CAD data library by CADENAS in the sector of stove and heating systems
184 kB; Jpeg Bild
Schiedel Produktkatalog erhält "Golden Catalog Seal" für herausragenden Kundenservice
300 kB; Jpeg Bild
Native 3D BIM CAD Daten für sämtliche Architektur CAD Systeme
Schiedel erweitert seine 3D BIM CAD Daten Bibliothek von CADENAS im Bereich Kamin und Ofensysteme
Via libera ai dati BIM CAD 3D per RAILBETON HAAS
Make way for 3D BIM CAD product data at RAILBETON HAAS
CADENAS Katalogansicht der 3D BIM CAD Modelle von RAILBETON
141 kB; Jpeg Bild
RAILBETON bietet komfortablen Download von 3D BIM Daten von CADENAS an
537 kB; PNG Bild
Zum optischen Vergleich Schieberegler mit der Maus zur Seite bewegen. Links: Textur ohne Oberflächenstruktur; Rechts: Textur mit Oberflächenstruktur
eCATALOGsolutions Rendering mit Texturen und Oberflächenstruktur
262 kB; Jpeg Bild
Neues Feature für Elektronische Produktkataloge powered by CADENAS: Gerenderte Oberflächenstrukturen
223 kB; PNG Bild
Wienerberger’s product data platform: CADENAS (3D BIM models) & coBuilder (attributes)
Paul Surin, Head of Built Environment at Wienerberger AG provides insights into the manufacturer’s side of BIM and the decision making process at Wienerberger UK in an interview
175 kB; Jpeg Bild
Die drittplatzierte Konstruktion eines Wüstenbuggys für den Offroad-Bereich überzeugte mit über 1230 Einzelteilen die Fachjury des Engineering Newcomers
77 kB; Jpeg Bild
Die zweitplatzierte Projektarbeit präsentiert einen Schredder und Extruder, die aus Plastikmüll wiederverwertbares Kunststofffilament für den 3D Druck erzeugen und damit der zunehmenden Verschmutzung der Meere entgegenwirkt
527 kB; Jpeg Bild
Die entwickelte Abfüllvorrichtung überzeugte die Fachjury, da sich mit dieser vermeiden lässt, dass der Bodensatz des Gärprozesses bei der Abfüllung in die Flasche gelangt
255 kB; Jpeg Bild
Das Team von Tobias Guttenberger, Patrick Klieber, Bastian Knorr und Marcus Dietze von der GRUNDIG AKADEMIE - Fachschule für Technik in Nürnberg belegte mit ihrer Projektarbeit "X-Duster" den 3. Platz beim Engineering Newcomer 2018
Der 2. Platz ging an Christoph Leibl und Dominic Mayer für ihren Kunststoff Schredder und Extruder
297 kB; Jpeg Bild
Den 1. Platz sicherte sich das Team der Städtischen Technikerschule München mit Michael Balletshofer, Christoph Falk und Korbinian Koch mit ihrer entwickelten Abfüllvorrichtung
Am 9. Oktober wurden auf der Motek im Rahmen des Engineering Newcomer Wettbewerbs die pfiffigsten Konstruktionsideen mit attraktiven Geldpreisen ausgezeichnet
286 kB; PNG Bild
coBuilder bietet strukturierte, standardisierte Produktdaten für alle Akteure der Bauindustrie
CADENAS als Experte für native multi CAD Daten
The solution for all your BIM requirements
276 kB; PNG Bild
Präsentation der gemeinsamen BIM-Lösung auf der Digital Construction Week 2018 in London
Partnerschaft zwischen Purdue University & CADENAS: Studenten lernen optimiertes Teilemanagement in Verbindung mit CAD und PLM Systemen
Thanks to the new Electronic Product Catalog, 3D models of the MOVET blue flange bearings are available to engineers and designers for the development of hygienic conveyor systems for the food and pharma industries
MOVET® introduces its new product catalog based on the eCATALOGsolutions technology by CADENAS
Ein Bild sagt mehr als 1000 Worte - Mit der 2D Skizzensuche von CADENAS zur gewünschten Komponente
Current BIM trends that are important for component manufacturers
4 kB; Jpeg Bild
Stefan Günter
169 kB; PNG Bild
Welche aktuellen BIM Trends für Komponentenhersteller wichtig werden
135 kB; PNG Bild
DIE WELT veröffentlicht Bericht über BIMcatalogs.net von CADENAS in Sonderbeilage mit über 670.000 potenziellen Lesern
Qosina veröffentlicht interaktiven Produktkatalog mit 3D CAD Modellen von CADENAS
OpenBOM announces part catalog functionality enhancements powered by CADENAS
OpenBOM baut Funktionsumfang seiner Lösung mit CAD Katalogen von CADENAS aus
Süddeutsche Zeitung berichtet in Sonderbeilage an 300.000 Leser über BIMcatalogs.net von CADENAS
Steigerung von 230 % bei CAD Downloads und 30 % bei Sales Leads in den letzten 12 Monaten
Zahlen über PARTcommunity, die für sich sprechen
257 kB; PNG Bild
245 kB; PNG Bild
Das 3D CAD Modelle Downloadportal PARTcommunity von CADENAS erreicht über 28 Mio. CAD Modelle Downloads pro Monat
Mit der Partiellen Suche von CADENAS verlieren Sie bei der Bauteilrecherche das Wesentliche nicht aus dem Blick
593 kB; PNG Bild
PARTcommunity achieves more than 28 million CAD model downloads per month
163 kB; PNG Bild
594 kB; PNG Bild
PARTcommunity erreicht über 28 Mio. CAD Modelle Downloads pro Monat
160 kB; PNG Bild
Logo
Infografik Meilensteine der Erfolgsgeschichte des CAD seit 1957
CADENAS sorgt für Abkühlung bei Bayerischer Beachvolleyball Meisterschaft in Augsburg
PLÜMAT introduces Geometric Similarity Search by CADENAS with SolidWorks and keytech PLM integration
532 kB; PNG Bild
PLÜMAT gilt als weltweiter Technologieführer im Bereich Entwicklung, Konstruktion und Fertigung von Maschinen und Anlagen für die pharmazeutische Industrie
304 kB; Jpeg Bild
3D CAD models from Helix Linear Technologies go online with interactive product catalog built by CADENAS
93 kB; Jpeg Bild
BIM Bereich profitiert von neuer Kooperation (Bild: © Wenjie Dong)
CADENAS ist aktives Mitglied der "Special eCl@ss-Taskforce" für BIM (Bild: © Tinpixels)
206 kB; PNG Bild
LIVEsearch unterstützt Ingenieure mit Vorschlägen geometrisch ähnlicher Komponenten während des Konstruktionsprozesses
PARTsolutions liest jeden (Komponenten-) Wunsch von den Augen ab
Tata Steel launches their pioneering BIM tool the "DNA Profiler" and product catalog built by CADENAS
Comflor composition CF100 by Tata Steel
PARTcommunity Version 8 sets standards for the 3D CAD download of the future
226 kB; PNG Bild
118 kB; PNG Bild
94 kB; PNG Bild
441 kB; Jpeg Bild
At https://zinco.partcommunity.com, users can download 3D BIM CAD models of ZinCo products, for example green roof systems, protection and storage mats
Mit ZinCo und CADENAS bestens für die Gründach-Planung der Zukunft gerüstet / Foto: ZinCo GmbH
451 kB; Jpeg Bild
Do You Play in the League of Technology Champions?
Spielen Sie bereits in der Liga der Technologie-Champions?
Im BIM Tool von Tata Steel können Nutzer direkt angeben, welche Komponenteninformationen sie in welchem BIM Format benötigen
Der "DNA Profiler" stellt Architekten und Planern genau die Komponentendaten in dem BIM Format bereit, das sie benötigen
Comflor composition CF100 von Tata Steel
169 kB; Jpeg Bild
Tata Steel stellt seinen neuen CAD Produktkatalog mit integriertem, intelligenten BIM Lösung "DNA Profiler" vor
Mit der neuen PARTcommunity Version 8 wurden die Bauteilvoransichten nochmals optimiert und mit übersichtlichen Reitern versehen
75 kB; PNG Bild
Users get suggestions on suitable accessories and end-of-life information
122 kB; PNG Bild
Mit der neuen PARTcommunity Version 8 können Nutzer erstmals die Bemaßungen einer Komponente direkt in der 3D Ansicht abändern
CADENAS veröffentlicht die neueste Version 8 des bekannten 3D CAD Modelle Downloadportals PARTcommunity
Auf gute Zusammenarbeit: TENADO Geschäftsführer André Kohut und CADENAS Geschäftsführer Jürgen Heimbach freuen sich über die neue Partnerschaft
CADENAS Fachbeitrag im Sonderheft "Bauprodukte digital 2018"
PUTZIN simplifies the design of complex lubricating systems thanks to intelligent 3D CAD models of its gear pumps
PUTZIN vereinfacht dank intelligenter 3D CAD Modelle seiner Zahnradpumpen die Konstruktion komplexer Schmieranlagen
306 kB; PNG Bild
Unser praktischer Geschenktipp für den Vatertag: Die kostenlose 3D CAD Models Engineering App
Labelling within the digital catalog
12 kB; PNG Bild
Produktkatalog
89 kB; PNG Bild
Kennzeichnung innerhalb des digitalen Katalogs
517 kB; PNG Bild
Wie Komponentenhersteller Umweltschutzstandards als Wettbewerbsvorteil nutzen können
Sparks Belting Company provides 3D CAD models for motorized pulleys in all-new online catalog built by CADENAS
10 % weniger administrativer Aufwand - Langguth profitiert von in keytech PLM voll integrierter CADENAS GEOsearch
336 kB; PNG Bild
148 kB; PNG Bild
Frühlingszeit ist Wachstumszeit - 3D CAD Downloads von PARTcommunity erreichen Rekord von über 25,9 Mio. im Monat
Diese Suchmethoden des Strategischen Teilemanagements unterstützen Ingenieure bei ihrer täglichen Arbeit
273 kB; PNG Bild
Intelligent Finden statt Teilesafari - Mit CADENAS einfach versteckte Komponenten aufspüren
Customer magazine: 2017 was no doubt the year of Industry 4.0 – The CADENAS year of success
Interview mit CADENAS Geschäftsführer Jürgen Heimbach im Fachmagazin fluid
Interaktiver Produktkonfigurator von RK Rose+Krieger basierend auf der eCATALOGsolutions Technologie von CADENAS
104 kB; PNG Bild
Neuer Interaktiver Produktkonfigurator von RK Rose+Krieger der Move-Tec "E" Baugruppen für Lineareinheiten mit Spindelantrieb, Hubsäulen und Elektrozylinder
Move-Tec "E" Baugruppen für Lineareinheiten von RK Rose+Krieger
Schattenspiele im Engineering: Wie wurde die innovative 2D Skizzensuche erfunden?
582 kB; Jpeg Bild
882 kB; PNG Bild
archline cadenas component
archlinexp teaser
The design competition Engineering Newcomer for pupils and students goes into the 5th round
Engineering Newcomer Ewigenliste
Der Konstruktionswettbewerb Engineering Newcomer für Schüler und Studenten geht in die 5. Runde
14 kB; PNG Bild
15 kB; PNG Bild
19 kB; Jpeg Bild
Viessmann geht mit 3D BIM Produktkatalog von CADENAS online
469 kB; Jpeg Bild
95 kB; PNG Bild
Im Rahmen des Industry Forums wurde der CADENAS Award "The Golden Catalog Seal" an ausgewählte Komponentenhersteller verliehen
Auch die Besucher zeigten sich begeistert
81 kB; Jpeg Bild
Jürgen Heimbach, Geschäftsführer der CADENAS GmbH begrüßt die Teilnehmer
177 kB; Jpeg Bild
Die Aussteller gaben bereitwillig Auskunft
122 kB; Jpeg Bild
Andreas Brandauer (Siemens Industry Software GmbH) über Unterstützung von Siemens Line Designer & Automation Designer & Mechtronic Concept Designer im Digitalen Zwilling durch CADENAS
Die Teilnehmer probierten die Hololens aus und informierten sich über neueste Trends
Auf dem Industry Forum konnten sich die Teilnehmer zu Trends und Innovationen austauschen
274 kB; Jpeg Bild
Die Vorträge des Industry Forums erfreuen sich zunehmender Beliebtheit
Brother Gearmotors präsentiert neuen Produktkatalog zum Download von 3D CAD Engineering Daten
NORCAN vereinfacht mit einem 3D Produktkatalog den Zugang zu Engineering Daten seiner Profilbaukastensysteme aus Aluminium
198 kB; PNG Bild
CADENAS bietet angehenden Ingenieuren der Hochschule Augsburg im Rahmen eines CAD Kurses Blick über den Tellerrand
8 MB; Jpeg Bild
Offroad Einsteiger-Training für alle Jeep® Besitzer
Best customer service thanks to 3D CAD download
81 kB; PNG Bild
HUGRO increases number of downloads within a year by 56% with CADENAS
Bester Kundenservice dank 3D CAD Download
HUGRO steigert mit CADENAS seine Downloadzahlen um 56 % innerhalb eines Jahres
93 kB; PNG Bild
Der Elektronische Produktkatalog von ABB fügt sich nahtlos in die von ABB genutzte Technologie für Blätterkataloge ein und basiert auf der eCATALOGsolutions Technologie von CADENAS.
ABB enriches its interactive catalog with intelligent engineering information from CADENAS
136 kB; PNG Bild
129 kB; Jpeg Bild
Güvenal setzt auf CADENAS Technologie um den Absatz seiner Produkte bis 2019 um 20 % zu steigern
237 kB; PNG Bild
RABOURDIN stellt Engineering Daten seiner Produkte auf dem 3D CAD Modelle Downloadportal PARTcommunity, basierend auf der eCATALOGsolutions Technologie von CADENAS, zur Verfügung
RABOURDIN ist seit 90 Jahren ein renommierter französischer Hersteller von Normteilen in den Bereichen Kunststoffspritzguss-, Schneid- und Stempelwerkzeugen
134 kB; Jpeg Bild
Begleitet wird der internationale Kongress Industry Forum zusätzlich durch eine Fachausstellung und ein Abendevent
114 kB; Jpeg Bild
Komponentenhersteller erfahren in den Best Practice Vorträgen des Industry Forums, wie sie das Vermarktungspotenzial ihrer Produkte mit Elektronischen CAD Produktkatalogen voll ausschöpfen und noch weiter optimieren können
Ingenieure erfahren die neuesten Features und Möglichkeiten, um ihre Arbeit zu erleichtern
Teilnehmer informieren sich über die neuesten Trends der Branche und führen anregende Unterhaltungen
Das Industry Forum von CADENAS bietet Ingenieuren und Komponentenherstellern jedes Jahr die neuesten Trends - auch zum Ausprobieren
79 kB; Jpeg Bild
Anhand von Best Practice Vorträgen und Workshops können sich Ingenieure, Einkäufer und Marketingspezialisten über Trends und Neuerungen rund um die Themen Strategisches Teilemanagement, Elektronische Produktkataloge sowie BIM informieren
51 kB; PNG Bild
Elephant's trunk or a hose? You are no longer left in the dark with CADENAS Classification 2.0
Elefantenrüssel oder Schlauch? Mit Klassifikation 2.0 von CADENAS tappen Sie nicht länger im Dunkeln
197 kB; PNG Bild
The integration of the Festo Design Tool 3D Online in the product catalog offers designers, purchasers and fitters even more comfort and enables the fast, safe and efficient design
19 kB; PNG Bild
As of now, the Festo Design Tool 3D Online is available, without installation or plug-in
Die Integration des Festo Design Tool 3D online in den Produktkatalog bietet Konstrukteuren, Einkäufern und Monteuren noch mehr Komfort und ermöglicht schnelles, sicheres und effizientes Konstruieren, Bestellen und Montieren von Festo
Ab sofort steht das Festo Design Tool 3D auch online ganz ohne Installation oder Plugin zur Verfügung
Bei neuer CADENAS Challenge 2018 so richtig abräumen: Jetzt PARTcloud.net 3D Modeling World Champion werden
7 kB; Jpeg Bild
384 kB; PNG Bild
83 kB; Jpeg Bild
Thanks to excellent product catalog data, PARTcommunity registers a continuous growth in users and downloads
78 kB; Jpeg Bild
Die hohe Beliebtheit zeigt, dass das 3D CAD Modelle Downloadportal PARTcommunity von CADENAS zum täglichen Werkzeug von Millionen Ingenieuren und Einkäufern weltweit gehört
56 kB; PNG Bild
Bereits im 11. Jahr in Folge können damit Rekordzahlen verzeichnet werden – das 3D CAD Modelle Downloadportal PARTcommunity bleibt somit auch 2017 einer der Spitzenreiter unter den Downloadportalen für Intelligente Engineering Daten
278 kB; PNG Bild
Dank exzellenter Produktkatalogdaten verzeichnet PARTcommunity einen kontinuierlichen Zuwachs an Nutzern und Downloadzahlen
895 kB; Jpeg Bild
Geschäftsführer von CADENAS Solutions UK gründet Laufgruppe für Menschen mit Sehbehinderung in Bristol
CADENAS GmbH
Afag setzt im Zuge der Digitalisierung auf Rendering von CADENAS
3 kB; Jpeg Bild
243 kB; PNG Bild
Teaserbild
236 kB; PNG Bild
Spitzenjahr für PARTcommunity: 2017 erneut Rekordzahl von 260 Millionen 3D CAD Modelle Downloads
374 kB; PNG Bild
203 kB; PNG Bild
MTF Technik bietet Kunden mit Lösung von CADENAS ein effizientes Werkzeug zur Konfiguration von Förderbändern
Bewusste Entscheidung für CADENAS
9 kB; Jpeg Bild
OVET entscheidet sich für Elektronischen Produktkatalog von CADENAS
492 kB; Jpeg Bild
Aufgrund seines geringen Gesamtgewichts von nur 12 kg kann das OP Mikroskop von Ärzten unkompliziert zu ihren so genannten "Outreach" Einsätzen in abgelegene Gebiete transportiert werden
829 kB; Jpeg Bild
Das transportable OP Mikroskop kommt unter anderem in Uganda bei Augen-OPs zum Einsatz
237 kB; Jpeg Bild
Mit über 80 % Normteilen wird das OP Mikroskop für HNO- und Augenärzte in Entwicklungsländern erschwinglich
Das transportable Operationsmikroskop von Prechtl Engineering belegt den ersten Platz beim Deutschen Normteile Award 2017
3D Daten von CADENAS jetzt im E-CAD-Portal wscaduniverse.com verfügbar
Free plugin for the 3D graphics software Blender facilitates export and upload of 3D models on PARTcloud.net
11 kB; Jpeg Bild
Kostenloses Plugin für die 3D Grafiksoftware Blender erleichtert Export und Upload von 3D Modellen in PARTcloud.net
Schöne Bescherung für PARTcommunity: Neuer Downloadrekord über 25,5 Millionen
25.000.000 Downloads per Monat
284 kB; PNG Bild
PARTcommunity Downloads 2017
25,5 Mio Downloads bei PARTcommunity
Kleiner Button - große Wirkung: Put your parts on your jacket!
17 kB; Jpeg Bild
Seit 17 Jahren heißt es bei CADENAS in Kroatien: "Jede Aufgabe kann bewältig werden!"
5 kB; Jpeg Bild
CADENAS
Ganters US-Tochter Winco bietet mit eCATALOGsolutions von CADENAS Zugang zu hochwertigen Normteilen
242 kB; PNG Bild
The advantages of implementing the design guidelines for die casting tools in PARTsolutions are obvious: The official guidelines are maintained in a central location and published automatically
All the information about 3D engineering data as well as the respective 2D and 3D drawings are available in one location
Artikel im :K Magazin berichtet über die Gewinner des Deutschen Normteile Awards 2017
CADENAS als Sponsor beim UNICEF Schwimmen des Augsburger Schwimmvereins
Teaser
3D CAD models of ASKUBAL simplify and speed up designs
Zolltarifnummern für jedes ASKUBAL Bauteil machen internationalen Versand zum Kinderspiel
3D CAD Modelle von ASKUBAL vereinfachen und beschleunigen Konstruktionen
178 kB; PNG Bild
60 Years of CAD Infographic: The History of CAD since 1957, (Source: partsolutions.com)
Lässt sich aus Toilettenpapier ein Skateboard fertigen?
Metadaten entsprechend im Elektronischen Produktkatalog
Was macht ein intelligentes Bauteil aus und wie wird es für Simulationen aufbereitet?
Arbeitskreis von CADENAS erarbeitet umfassende Komponentenstandards für die Nutzung in Simulationssoftware, wie dem Mechatronics Concept Designer (MCD) von Siemens
29 kB; PNG Bild
Score list
15 kB; Jpeg Bild
Endspurt bei der CADENAS PARTcloud.net Weekly Challenge 2017
79 kB; PNG Bild
Video: Damit Sie für Ihre BIM Daten keinen Packesel brauchen
515 kB; Jpeg Bild
Gewinner des Deutschen Normteile Awards 2017 gekürt
654 kB; Jpeg Bild
874 kB; Jpeg Bild
li. Jakob Prechtl
165 kB; Jpeg Bild
Das 3D BIM CAD Downloadportal für Architekten und Planer BIMcatalogs.net by CADENAS
31 kB; PNG Bild
Grass ist eine 100 %ige Würth Tochter aus Österreich
Mit der Erweiterung des Elektronischen Produktkatalogs werden Beschläge für den Möbelbau zum Download zur Verfügung gestellt
399 kB; Jpeg Bild
Seit Ende August können Kunden der Adolf Würth GmbH & Co. KG aus dem Bereich Möbelbau und Holzhandwerk zusätzlich verschiedene 3D Engineering Daten aus dem Sortiment der Möbelbeschläge herunterladen
711 kB; Jpeg Bild
824 kB; Jpeg Bild
Die Gewinner des Engineering Newcomers 2017 bei der Preisverleihung am 11. Oktober auf der Motek Messe in Stuttgart
Sebastian Benedikt, Pierre Breitwieser und Matthias Henkel der Technikerschule Allgäu überzeugten die Jury mit der Entwicklung ihres Twinwheelers
Sebastian Benedikt, Pierre Breitwieser und Matthias Henkel der Technikerschule Allgäu haben 3. Platz bekommen
164 kB; PNG Bild
Die Klasse TM2C der Technikerschule München konnte sich dieses Jahr über den 2. Platz mit ihrer Industrie 4.0-fähigen Fertigungsanlage freuen
Die Klasse TM2C der Technikerschule München konnte sich dieses Jahr über den 2. Platz freuen
Den 1. Platz erhielt Tim Schobel von der Universität Stuttgart. Dieser entwickelte eine Antriebseinheit mit Freilauffunktion für Rollatoren
Den 1. Platz erhielt Tim Schobel von der Universität Stuttgart
FABORY setzt mit einem Online CAD Konfigurator von CADENAS auf 3D
509 kB; PNG Bild
PARTsolutions fördert Normung & Standardisierung an 365 Tagen
Weltnormentag am 14. Oktober: Keine Wettbewerbsfähigkeit ohne Normung
267 kB; PNG Bild
By means of the LIVEsearch function of the geometric similarity search, geometrically similar components that exist are searched for automatically already during the design process in the CAD system and shown at the edge of the screen
15 000 CAD Downloads für UHV Design im ersten Jahr dank eCATALOGsolutions von CADENA
34 kB; PNG Bild
228 kB; PNG Bild
UHV Design - LSM & HLSM series
UHV Design
RevitRFA family technology with BIMcatalogs.net Plugin
Standard Revit RFA family technology with Filesharing
50 kB; PNG Bild
Revit RFA Familientechnik mit BIMcatalogs.net Plugin
Standard Revit RFA Familientechnik mit Filesharing
Neues Plugin von CADENAS perfektioniert den Autodesk Revit RFA Workflow
235 kB; PNG Bild
Header
Erstellen Sie Ihr eigenes 3D CAD Downloadportal für Norm- und Kaufteile in nur 5 Minuten
153 kB; PNG Bild
91 kB; PNG Bild
92 kB; PNG Bild
6 kB; PNG Bild
9 kB; PNG Bild
Green thumb up: 3D BIM CAD models of Grasscalm artificial turf edging available on BIMcatalogs.net
Grüner Daumen hoch: 3D BIM CAD Modelle der Grasscalm Kunstrasensperre auf BIMcatalogs.net verfügbar
14 kB; Jpeg Bild
61 kB; Jpeg Bild